Product Summary
The D70108C-10 is a CMOS 16 bit microprocessor. It has a 16-bit arachitecture and is equipped with a 8-bit data bus. The D70108C-10 ha s powerful instruction set which includes bit processing and packed BCD operation and high speed multiplication/division insturctions, etc and contains an 8080 emilation function.
Parametrics
D70108C-10 absolute maximum ratings: (1)power supply votlage, VDD: -0.5 to 7.0V; (2)input voltage, VI: -0.5 to VDD+0.3V; (3)CLK input voltaget, VK: -0.5 to VDD+1.0V; (4)output voltage, VD: -0.5 to VDD+0.3V; (5)operating ambient temperature, Topt: -40 to 85℃; (6)storage temperature, Tstg: -65 to 150℃.
Features
D70108C-10 features: (1)memory addressing space: 1M bytes; (2)minimum instruction execution time; (3)high speed multiplicaiton/division instruction; (4)high-speed block tranfer instruction.
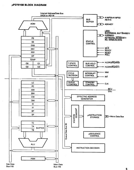
Diagrams

(China (Mainland))






