Product Summary
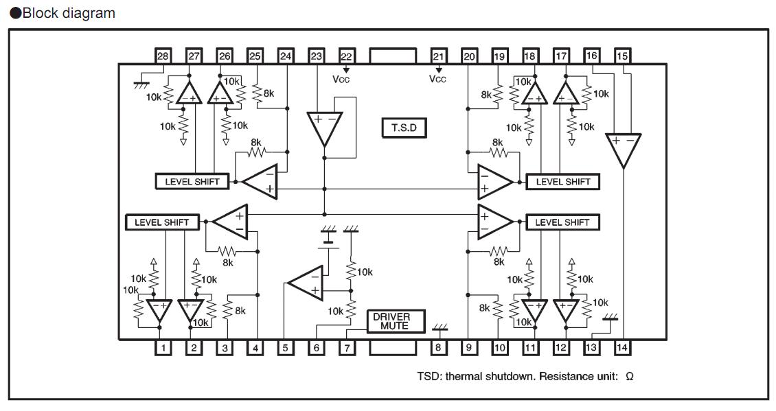
The ba6790fp is a 4-channel BTL driver for CD player actuators and motors. It has internal 5 V regulators and general purpose operational amplifiers, and are mounted to a 28-pin HSOP package, allowing for the miniaturization of applications. The ba6790fp is suitable for CD players and portable CD.
Parametrics
ba6790fp absolute maximum ratings: (1)power supply voltage, VCC: 18V; (2)power dissipation, Pd: 1.7W; (3)operating temperature, Topr: -35 to 85℃; (4)storage temperature, Tstg: -55 to 150℃.
Features
ba6790fp features: (1)4-channel BTL driver; (2)HSOP 28-pin package allows for miniaturization of applications; (3)Wide dynamic range. (typically 5.4V when VCC = 8V and RL = 8Ω); (4)Internal thermal shutdown circuit; (5)Gain is adjustable with a single attached resistor; (6)Internal 5V regulator. (requires attached PNP transistor); (7)Internal general purpose operational amplifier.
Diagrams

| Image | Part No | Mfg | Description | ![]() |
Pricing (USD) |
Quantity | ||||
|---|---|---|---|---|---|---|---|---|---|---|
![]() |
![]() BA6790FP |
![]() Other |
![]() |
![]() Data Sheet |
![]() Negotiable |
|
||||
| Image | Part No | Mfg | Description | ![]() |
Pricing (USD) |
Quantity | ||||
![]() |
![]() BA6780 |
![]() Other |
![]() |
![]() Data Sheet |
![]() Negotiable |
|
||||
![]() |
![]() BA6780FP-Y |
![]() Other |
![]() |
![]() Data Sheet |
![]() Negotiable |
|
||||
![]() |
![]() BA679 |
![]() Other |
![]() |
![]() Data Sheet |
![]() Negotiable |
|
||||
![]() |
![]() BA6790FP |
![]() Other |
![]() |
![]() Data Sheet |
![]() Negotiable |
|
||||
![]() |
![]() BA6791FP |
![]() Other |
![]() |
![]() Data Sheet |
![]() Negotiable |
|
||||
![]() |
![]() BA6792FP |
![]() Other |
![]() |
![]() Data Sheet |
![]() Negotiable |
|
||||
(China (Mainland))









