Product Summary
The LT3845efe is a high voltage, synchronous, current mode controller used for medium to high power, high efficiency supplies. It offers a wide 4V to 60V input range (7.5V minimum start-up voltage). An onboard regulator simplifies the biasing requirements by providing IC power directly from VIN. The applications of the LT3845efe include 12V and 42V Automotive and Heavy Equipment, 48V Telecom Power Supplies, Avionics and Industrial Control Systems and Distributed Power Converters.
Parametrics
LT3845efe absolute maximum ratings: (1)Input Supply Voltage (VIN): 65V; (2)Boosted Supply Voltage (BOOST): 80V; (3)Switch Voltage (SW): 65V to –2V; (4)Differential Boost Voltage BOOST to SW): 24V; (5)Bias Supply Voltage (VCC): 24V; (6)SENSE+ and SENSE– Voltages: 40V; (7)Differential Sense Voltage (SENSE+ to SENSE–): 1V to –1V ; (8)BURST_EN Voltage: 24V; (9)SYNC, VC, VFB, CSS, and SHDN Voltages: 5V; (10)SHDN Pin Currents: 1mA; (11)Operating Junction Temperature Range: –40 to 125℃; (12)Storage Temperature: –65 to 150℃; (13)Lead Temperature (Soldering, 10 sec): 300℃.
Features
LT3845efe features: (1)High Voltage Operation: Up to 60V; (2)Synchronizable Up to 600kHz; (3)Adjustable Constant Frequency: 100kHz to 500kHz; (4)Output Voltages Up to 36V; (5)Adaptive Nonoverlap Circuitry Prevents Switch Shoot-Through; (6)Reverse Inductor Current Inhibit for Discontinuous Operation Improves Ef? ciency with Light Loads; (7)Programmable Soft-Start; (8)120μA No Load Quiescent Current; (9)10μA Shutdown Supply Current; (10)1% Regulation Accuracy; (11)Standard Gate N-Channel Power MOSFETs; (12)Current Limit Unaffected by Duty Cycle; (13)Reverse Overcurrent Protection; (14)16-Lead Thermally Enhanced TSSOP Package, 16-Pin PDIP.
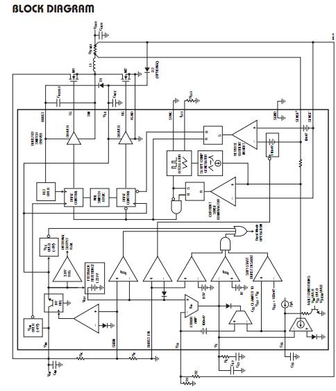
Diagrams

| Image | Part No | Mfg | Description | ![]() |
Pricing (USD) |
Quantity | ||||||||||
|---|---|---|---|---|---|---|---|---|---|---|---|---|---|---|---|---|
![]() |
![]() LT3845EFE#PBF |
![]() |
![]() IC REG CTRLR BUCK PWM CM 16TSSOP |
![]() Data Sheet |
![]()
|
|
||||||||||
![]() |
![]() LT3845EFE#TRPBF |
![]() |
![]() IC REG CTRLR BUCK PWM CM 16TSSOP |
![]() Data Sheet |
![]()
|
|
||||||||||
(China (Mainland))









