Product Summary
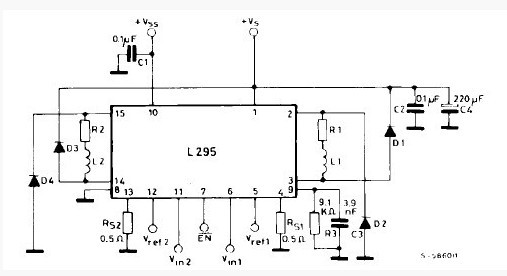
The L295N is a dual switch-mode solenoid driver. It is also a monolithic integrated circuit in a 15 -lead Multiwatt package. It incorporates all the functions for direct interfacing between digital circuitry and inductive loads. The L295N is designed to accept standard microprocessor logic levels at the inputs and can drive 2 solenoids. The output current is completely controlled by means of a switch-ing technique allowing very efficient operation. Furthermore, it includes an enable input and dual supplies (for interfacing with peripherals running at a higher voltage than the logic). The L295N is particularly suitable for applications such as hammer driving in matrix printers, step motor driving and electromagnet controllers.
Parametrics
L295N absolute maximum ratings: (1)Vs Supply voltage: 50 V; (2)Vss Logic supply voltage: 12 V; (3)VEN, Vi Enable and input voltage: 7 V; (4)Vref Reference voltage: 7 V; (5)Io Peak output current (each channel): non repetitive (t = 100 msec) 3 A; repetitive (80% on - 20% off; Ton = 10 ms): 2.5 A; DC operation 2 A; (6)Ptot Total power dissipation (at Tcase = 75 ℃: 25 W; (7)Tstg, Tj Storage and junction temperature: - 40 to 150 ℃.
Features
L295N features: (1)High current capability (up to 2.5A per channel); (2)High voltage operation (up to 46V for power stage); (3)High efficiency switchmode operation; (4)Regulated output current (adjustable); (5)Few external components; (6)Separate logic supply; (7)Thermal protection.
Diagrams

![]() |
![]() L295 |
![]() STMicroelectronics |
![]() Power Switch ICs - Power Distribution Switch-Mode Solenoid |
![]() Data Sheet |
![]() Negotiable |
|
||||
(China (Mainland))








